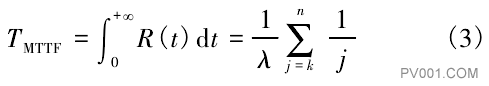
2 k/n(G)系统可靠性模型
假定系统由n个相互独立且服从相同寿命分布的元件组成,kln(G)系统也叫n中取k的冗余表决系。是指当n个元件中至少有k个元件正常工作时,即失效的元件数小于等于n-k时,系统正常工作,反之则系统失效。
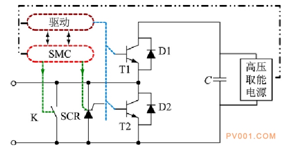
图3 半桥子模块拓扑
若每个元件的可靠度为P,不可靠度为q,则p+q=1,所以k/n(G)系统的可靠度为:
若各元器件的寿命服从指数分布,故障率为λ,则系统的可靠度为:
系统的平均无故障工作时间为:
3 UPFC换流阀可靠性模型
3.1 子模块可靠模型
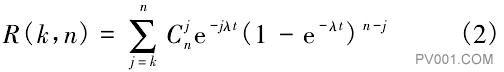
子模块的晶闸管和旁路开关仅在系统或子模块发生故障时投入工作,因此MMC子模块可靠性主要由IGBT、电容器、IGBT驱动电路、SMC和高压取能电源共同决定。组成子模块的各个元器件可以看成可靠性串联系统,任一元件失效,子模块故障,并合闸旁路开关,退出运行。子模块可靠性框图如图4所示。
图4 子模块可靠性框图
文中假设子模块各元件处于寿命曲线中的稳定运行期,即其寿命服从指数分布,则在时刻t,元件的可靠度为:
根据图4所示框图,子模块可靠度为:
分别为IGBT可靠度、电容器可靠度、IGBT驱动可靠度、SMC可靠度和高压取能电源可靠度。由各元件故障率代入式(4)计算得到。
由于组成子模块的各个元件寿命均服从指数分布,由式(5)可知子模块寿命也服从指数分布,且其故障率为:
效率、电容器失效率、IGBT驱动失效率、SMC失效率和高压取能电源失效率。
若换流阀子模块采用如全桥、类全桥等其他拓扑,可以根据子模块的组成元件类别和数量,建立可靠性框图,按照上述步骤推导其故障率模型。

(来源:中国泵阀第一网)
上一篇:基于单片机的比例伺服阀控制设计
