当前位置:首页 > 专利资讯 > 正文

【专利】一种模块化园林绿化地埋泵站(专利号:201920928008.2)

来源:互联网 时间:2020-4-27 10:39 点击:113
专利号:201920928008.2
专利状态:有权
专利类型:[实用新型]
专利申请人:金京
专利分类号:E03B5/00(20060101)
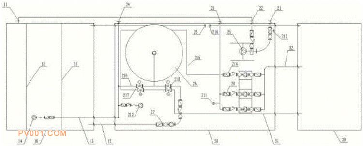
专利摘要:公开(公告)日:2020-04-21摘要:本实用新型公开了一种模块化园林绿化地埋泵站,包括均埋入地下的沉淀箱、设备箱和清水箱,设备箱上分别开设有河水进水口、河水出水口和供水出水口,河水进水口连接河水出水口,河水出水口连接沉淀进水口,沉淀箱的底部连接浅层砂过滤器,沉淀箱内在沉淀进水口与产水管之间设置有过滤网以及由至少两道沉淀隔板构成的S形流道,浅层砂过滤器通过清水出水管连接清水箱,清水箱通过设置有变频供水泵的供水管连接供水出水口,供水出水口连接有绿化管线。采用地埋建设形式,可以在距离水源较近的位置建设,提升原水取水效率,覆土后,不影响地表地形的美化,地面的绿化,无需再派专职人员现场巡视运行状态,降低人力成本。