当前位置:首页 > 专利资讯 > 正文

【专利】电动汽车的热泵空调(专利号:201921540036.3)

来源:互联网 时间:2020-5-13 13:50 点击:146
专利号:201921540036.3
专利状态:有权
专利类型:[实用新型]
专利申请人:上汽大众汽车有限公司
专利分类号:B60H1/00(20060101)
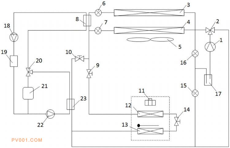
专利摘要:公开(公告)日:2020-05-05摘要:本实用新型揭示了电动汽车的热泵空调,包括:压缩机组件、外换热组件、内换热组件和动力源组件。外换热组件与车外空气进行热交换。内换热组件与乘员舱内空气进行热交换。压缩机组件、外换热组件和内换热组件通过热传递管路连接,热传递管路上安装有数个导向阀、节流阀和截止阀,热传递管路中使用二氧化碳作为热传递介质。动力源组件形成封闭回路,封闭回路中有循环介质,封闭回路通过换热器与热传递管路进行热交换。通过数个导向阀、节流阀和截止阀控制热传递介质的流向和流经压缩机组件、外换热组件和内换热组件的顺序来改变热泵空调的工作模式。本实用新型保留热泵的细化功能,同时兼顾电池的冷热需求,实现了能量最优化与舒适性最佳的双重目标。