当前位置:首页 > 专利资讯 > 正文

【专利】一种换热站二级泵控制仪(专利号:201710886367.1;107559946B)

来源:互联网 时间:2020-4-30 12:08 点击:130
专利号:201710886367.1;107559946B
专利状态:有权
专利类型:[发明授权]
专利申请人:北京弘益热能科技股份有限公司
专利分类号:F24D19/10(20060101)
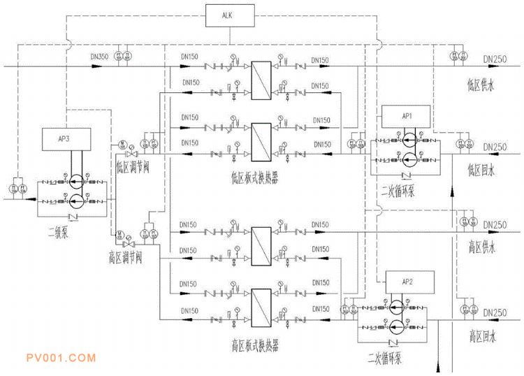
专利摘要:公开(公告)日:2020-04-21摘要:本发明公开了一种换热站二级泵控制仪,包括二级泵、高区调节阀、低区调节阀、低区板式换热器、高区板式换热器、低区二次循环泵、高区二次循环泵和中央控制器ALK,所述二测泵的一端分别连接高区调节阀和低区调节阀,高区调节阀还连接低区板式换热器,高区调节阀还连接高区板式换热器,低区板式换热器还通过低区二次循环泵连输出低区供水。本发明可实现换热站只使用一个二级泵达到各个区域平衡供温,实现了泵前加入阀的控制方式,并可各自设置目标温度,使得水泵和整个供热系统节能运行,且电动调节阀不对泵产生额外阻力影响。