当前位置:首页 > 专利资讯 > 正文

【专利】一种电荷泵控制单元、电荷泵电路及非易失存储器(专利号:201811521159.2)

来源:互联网 时间:2020-6-27 14:02 点击:202
专利号:201811521159.2
专利状态:审中-公开
专利类型:[发明]
专利申请人:北京兆易创新科技股份有限公司
专利分类号:合肥格易集成电路有限公司
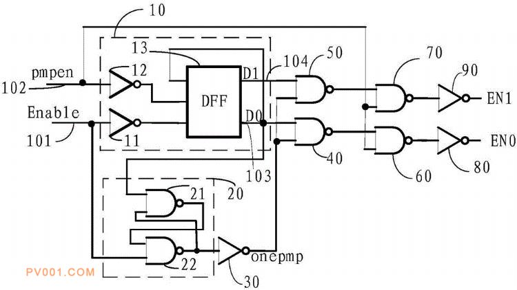
专利摘要:公开(公告)日:2020-06-19摘要:本发明实施例提供了一种电荷泵控制单元、电荷泵电路及非易失存储器,该电荷泵控制单元包括:D触发器逻辑模块,RS触发器模块,第一非门、第二非门、第三非门、第一与非门、第二与非门、第三与非门、第四与非门。本发明实施例的电荷泵控制单元可以通过第一控制信号输出端和第二信号输出端输出不同的控制信号,通过该不同的控制信号分别控制多个电荷泵单元时,可以关断不工作的电荷泵单元内的晶体管,避免不工作的电荷泵单元内的晶体管出现耐压问题。