当前位置:首页 > 专利资讯 > 正文

【专利】一种可实现循环加热的二氧化碳热泵装置(专利号:201920764282.0)

来源:互联网 时间:2020-5-7 15:06 点击:117
专利号:201920764282.0
专利状态:有权
专利类型:[实用新型]
专利申请人:山东美琳达再生能源开发有限公司
专利分类号:F25B7/00(20060101)
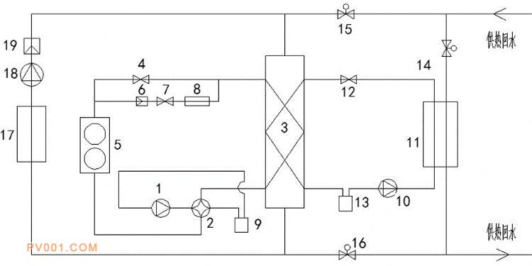
专利摘要:公开(公告)日:2020-04-17摘要:本实用新型涉及一种可实现循环加热的二氧化碳热泵装置。其技术方案是:第一压缩机与四通阀连接,四通阀与蒸发冷凝器连接,蒸发冷凝器一路与第一膨胀阀连接,一路与节流短管、第一电磁阀、第一单向阀连接,然后汇集到蒸发器接口;蒸发器出口与四通阀连接,四通阀与第一气分进口连接,第一气分出口与压缩机吸气口连接;第二压缩机与第二冷凝器连接,第二冷凝器与第二膨胀阀连接,第二膨胀阀与蒸发冷凝器连接,蒸发冷凝器与第二气分的进口连接,第二气分的出口与第二压缩机进气口连接;有益效果是:本实用新型既可以实现单级压缩供热运行,又可以实现复叠压缩供热运行的新型的热泵装置,在不同运行条件下达到最优的效率,同时还具有制冷功能。