当前位置:首页 > 专利资讯 > 正文

【专利】一种用于建筑电气防火的消防泵机械应急启动装置(专利号:201921079811.X)

来源:互联网 时间:2020-4-27 13:14 点击:128
专利号:201921079811.X
专利状态:有权
专利类型:[实用新型]
专利申请人:成都市建筑设计研究院
专利分类号:A62C37/00(20060101)
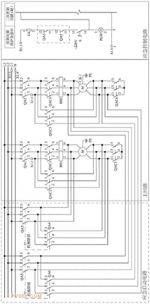
专利摘要:公开(公告)日:2020-04-21摘要:本实用新型公开了一种用于建筑电气防火的消防泵机械应急启动装置,包括应急控制回路和应急启动电路;所述应急启动电路连接至消防泵的主电路;所述应急启动电路,包括:第一启动电路和第二启动电路;所述第一启动电路,包括形成机械闭锁的第三断路器和第四断路器;所述第二启动电路,包括形成机械闭锁的第五断路器和第六断路器。本实用新型通过机械闭锁的4个断路器,实现了消防泵机械应急启动,有效的规避了全压启动对电网的冲击,能够维护整个供电系统的稳定性与安全性。