当前位置:首页 > 综合资讯 > 正文

天津:新冠肺炎定点医院医疗污水强化消毒推荐示例和操作规范

来源:互联网 时间:2020-2-20 11:54 点击:485

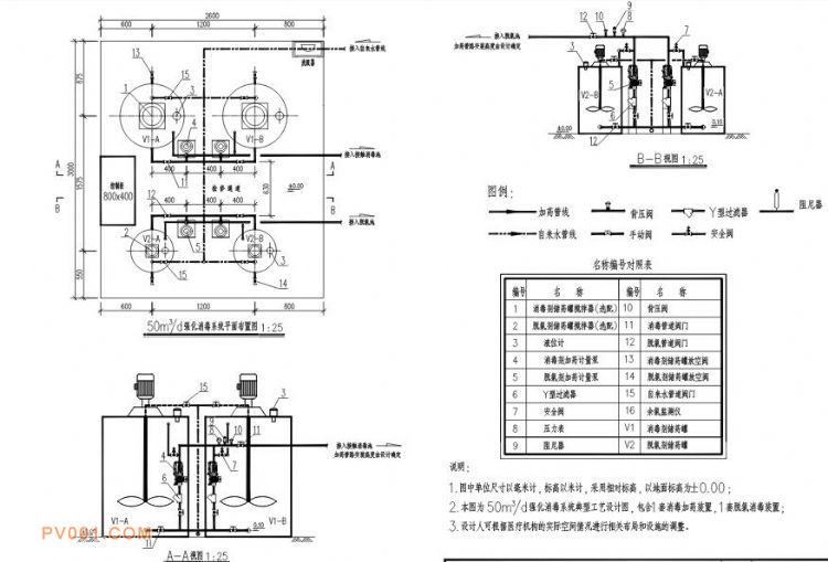
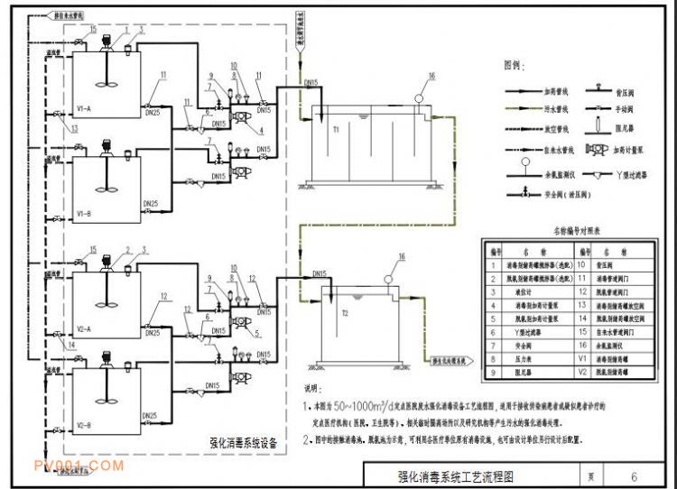
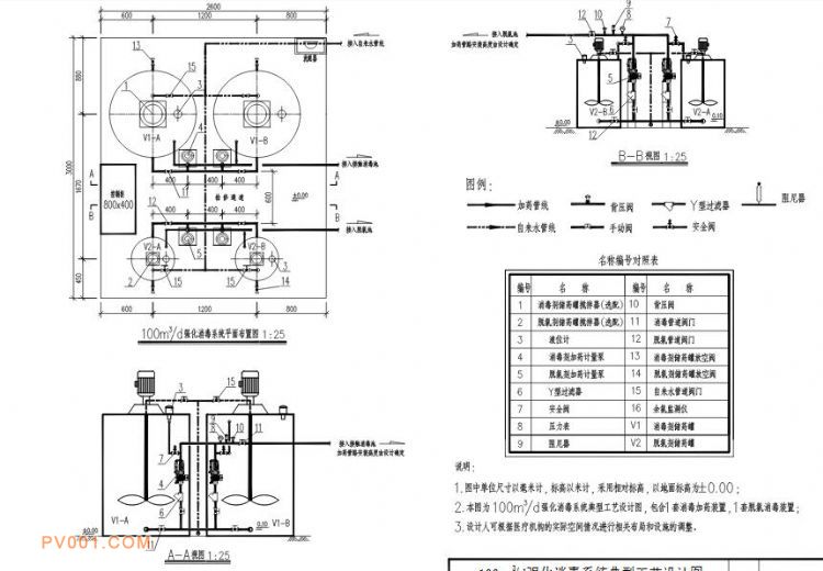
日前,天津发布《新冠肺炎定点医院医疗污水强化消毒推荐示例》和《新冠肺炎定点医院污水消毒处理操作规范(推荐)》。详情如下:

市生态环境局关于印发

《新冠肺炎定点医院医疗污水强化消毒推荐

示例》和《新冠肺炎定点医院污水消毒处理

操作规范(推荐)》的通知

各区生态环境局:

为落实生态环境部《关于做好新型冠状病毒感染的肺炎疫情医疗污水和城镇污水监管工作的通知》部署要求,有效防控新冠肺炎患者治疗过程产生污水的环境风险,规范医疗污水应急处理、杀菌消毒要求,保护生态环境和人体健康,我局组织相关技术单位编制了《新冠肺炎定点医院医疗污水强化消毒推荐示例》和《新冠肺炎定点医院污水消毒处理操作规范(推荐)》,供定点医院设计制作消毒成套设备和操作运行参考。现印发给你们,请参考执行。

2020年2月10日

(联系人:市生态环境局科技与监测处朱洁

联系电话:87671551)

(此件主动公开)